REFORM CONTEST 2025
デザイン部門全国優秀賞
一戸建てテーマ/-古さと新しさが響き合う家- My home Nostalgia

- 会社名
株式会社スタイル工房
- 担当者
渡辺 ノリエ・和田 紀代子
- 住所
〒166-0016 東京都杉並区成田西3-2-4 k&3ビル1F
- URL
- 施主様ご要望:リフォームの動機
- 空き家となっていたご主人のご実家。新たな住まいとしての活用を計画される中で、築86年の趣ある建物を気に入っていたことから、建て替えではなく、既存の良さを活かせるリノベーションを選ばれました。また、築古の木造住宅ということもあり、耐震性の向上や老朽化した設備の一新もご希望されました。
- プラン決定のポイントと工夫
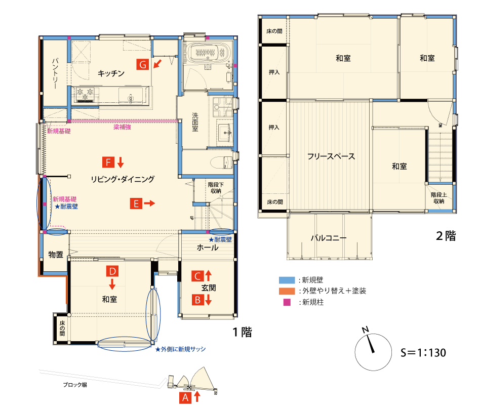
- ●古い建物の良さを丁寧に整えたうえで活かし、新しい暮らしに調和させたプラン。
●玄関は和風建築の趣をそのまま残し、開閉しやすく、断熱性能の良いアルミ引き戸に変更。既存の床板や天井板を主役に漆喰壁を塗り替え、一部は耐震壁にしている。
●趣のある木製建具はそのままに、外側に樹脂複合アルミサッシを追加し、断熱や気密性能を大幅にUP。
- 施主様ご感想:満足度など
- 「古い部分を活かしながら、安心して暮らせる家にしたい」という希望があったのですが、古いままリノベーションしてくれる会社があまりなく、古い住まいのリノベーション実績も豊富なスタイル工房さんの存在がとても心強く感じられました。
- 選択した性能向上の特性に配慮した点
- 既存の良さを活かしながら耐震性能もUPし、新規サッシへの入替えや外側にサッシを追加するなどして1階中心に断熱・気密性を高めた。

リフォーム概要 / 東京都T様邸
- 家族構成 大人2名
- 間取り -
- 築年数 86年
- 住宅形態 在来木造
- 費用 2600万円
- リフォーム面積 98㎡
- リフォーム箇所 戸建て全面
リフォーム後
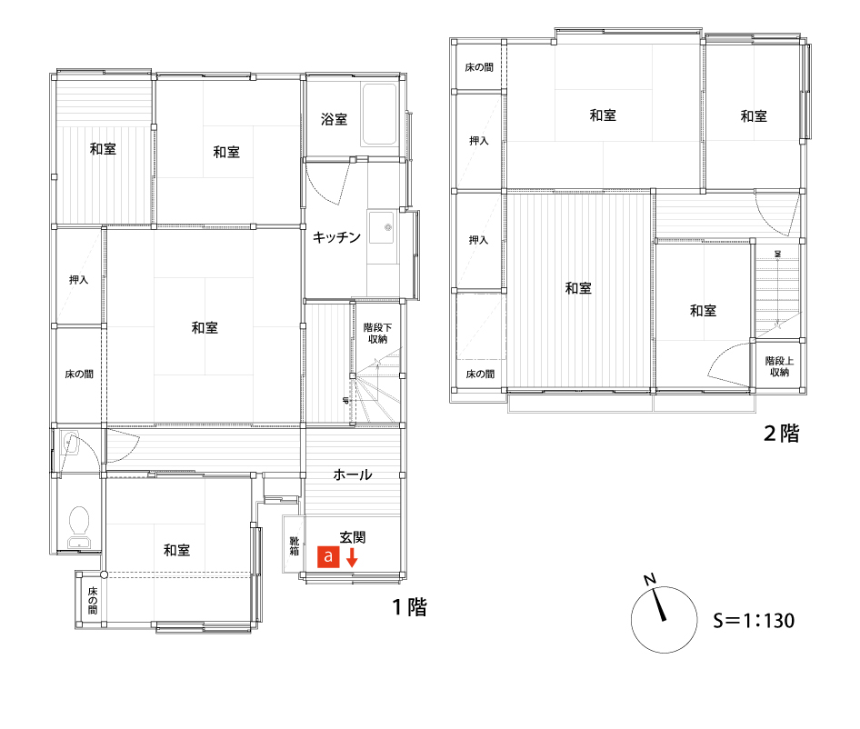
間取り
Before
After審査員からのコメント
会社データ
- 会社名
- 株式会社スタイル工房
- 対応可能エリア
- 東京都、神奈川県(一部地域を除く)
- 本社住所
- 〒166-0016 東京都杉並区成田西3-2-4 k&3ビル1F
- 支店・営業所
- ●stylekoubou浜田山店
〒166-0016 東京都杉並区成田西3-2-4 k&3ビル1F
●stylekoubou南青山店
〒107-0062 東京都港区南青山1-17-13 大青コーポ 2F
●stylekoubou横浜店
〒224-0041 神奈川県横浜市都筑区仲町台2-1-9 せせらぎハイツ1F
●stylekoubou新高円寺リノベーションギャラリー
〒166-0011 東京都杉並区梅里1-7-17 k&2ビル3F
- 営業時間
- 10:00~18:00
- お問い合わせ
- 03-5305-7250
- 会社概要
- 社 名:株式会社 スタイル工房
店 舗:stylekoubou(首都圏3店舗)
本 社:東京都杉並区成田西3-2-4 k&3ビル1F
代表取締役社長:三上 勝司
設 立:1989年12月(創業:1988年)
社員数:約76名(うち正社員66名)
資本金:10,000万円
売 上:2025年6月度決算 19億2,750万円
[建設業許可番号] 国土交通大臣 許可 (般-3)第26399号
[一級建築士事務所登録] 東京都知事登録第52465号
[資格保有者]一級建築士、二級建築士、1級施工管理技士、2級施工管理技士、インテリアコーディネーター、インテリアープランナー、福祉住環境コーディネーター、戸建評価員(CASBEE)、公認ホームインスペクター
【事業内容】
住宅のリフォーム・リノベーション・新築の設計・施工および監理

一つの住まいの中に新と旧がコントラストを描きながら併存するリノベーション。新しい内装のリビングから旧な要素をふんだんに活かした和室が縁取られて見えるデザインに審査員たちの評価が集まった。和室のガラス障子を残したつ外側に新しいサッシをつけた納まりも秀逸であった。